簡易帶過流保護直流電機電源設計。
內容簡介:帶過流保護功能的LM317穩壓電路如圖1所示,集成穩壓電路一般分為5部分,即交流降壓電路、整流電路、濾波電路、穩壓電路、保護電路。交流220V電壓經電源變壓器降壓整流得到直流電壓Vin,此電壓通過濾波電路輸入到集成穩壓器輸入端,在集成穩壓器輸出端可得到1.25~37V直流電壓。
本文介紹了過流保護的原理,詳細介紹了帶過流保護直流電機電源設計方法,采用LM317集成穩壓器設計的小功率直流電機電源,電路結構簡單,效率高,成本低,輸出電壓性能好,有著很好的應用前景。
引言
目前,各種直流電源產品充斥著市場,電源技術已經比較成熟。然而,基于成本的考慮,對于電源性能要求不是很高的場合,可采用帶有過流保護的集成穩壓電路,同樣能滿足產品的要求。
過流保護電路作為電源電路中不可缺少的一個組成部分,根據其控制方法大致可以分為關斷方式和限流方式,而直流電機電源較宜采用關斷方式。
過流保護電路首先要有一個電流取樣環節,常用做法是串聯一個小電阻或者是霍爾元件來獲得電流信號。由于霍爾元件體積比較大,價格昂貴,因而考慮采用串聯一個小電阻的方法。
1、工作原理
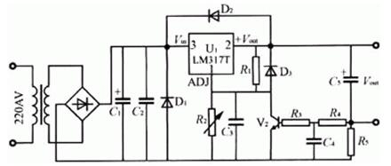
帶過流保護功能的LM317穩壓電路如圖1所示,集成穩壓電路一般分為5部分,即交流降壓電路、整流電路、濾波電路、穩壓電路、保護電路。交流220V電壓經電源變壓器降壓整流得到直流電壓Vin,此電壓通過濾波電路輸入到集成穩壓器輸入端,在集成穩壓器輸出端可得到1.25~37V直流電壓。工作原理圖及各部分電壓波形如圖2所示。
下面分析保護電路的工作過程。
1.1 集成穩壓器的保護
為獲得較高的輸出電壓值,LM317穩壓器的調節端與地之間的電阻R2值及其壓降往往較大,在R2兩端并接一個小于10μF的電容C3,可有效地抑制輸出端的紋波。當輸入端或輸出端發生短路時,電容C3的放電將在R1上產生沖擊電壓,會危及穩壓器的基準電壓電路,因此需在R1兩端并二極管D3以保護穩壓器。
穩壓器的輸出端不加電容亦能工作,由于穩壓器在1∶1的深度負反饋下工作,當輸出端負載為容性的某一值時,穩壓器有可能出現自激現象。因此,在穩壓器的輸入端接入0.1μF的電容C1,輸出端接入1000μF的電解電容C5,提供足夠的電流供給,同時可以防止可能發生的自激振蕩以及減小高頻噪聲和改善負載的瞬態響應。當輸入端發生短路時,C5通過穩壓器的調整管放電,C5值較大,則放電時的沖擊電流很大,電壓會通過穩壓器內部的輸出晶體管放電,可能造成輸出晶體管發射結反向擊穿。為此,在穩壓器兩端并接二極管D2,輸入端短路時C5通過D2放電,保護穩壓器。
1.2 過流保護
過流保護電路原理見圖3,R5為取樣小電阻。當電源工作時,穩壓器輸出端輸出正向直流電壓,電機開始啟動。由于直流電機啟動瞬時電流iout較大(約為額定電流的8~10倍),iout流過小電阻R5,并經R4對C4充電。通過設定R4、C4的值,使充電時間Υ大于電機啟動時間δ,V2(9013)處于截止狀態,電機啟動到穩定狀態后,電流恢復到工作電流。一旦電機發生短路或堵轉,使電容C4兩端電壓達到V2的導通電壓,則V2導通,強制穩壓器的輸出電壓降為基準電壓1.25V。
2、電路設計
2.1 集成穩壓器的選擇
在選擇集成穩壓器時,應該兼顧性能、使用和價格幾個方面。性能指標主要根據負載電壓電流的大小、調整率的高低以及工作穩定范圍的寬窄來選。LM317系列由于其輸出電壓可調,同時其有較高的穩壓精度、較高的紋波抑制比和較好的輸出電壓溫度特性,而得到了廣泛的應用。
設電源的輸出總功率P0,負載額定電壓U0,則輸出電流額定值為I0=P0/U0,為了使電路穩定運行,還需要考慮一定的設計余量(一般取10%以上)。LM317系列穩壓器主要參數如表1所列,根據計算出的電流值,選擇相應的穩壓器。
橋式整流濾波電路要確定整流二極管以及濾波電容值。
(1)整流二極管的選擇
選擇二極管要依據二極管的反向耐壓VRM和正向電流IF。由于濾波電容的容量愈大,二極管導通角愈小,通過二極管脈沖電流的幅度愈大,因此,整流管的幅值電流必須加以考慮。流過整流管的平均電流ID=Ii/2,Ii=IR2+I0,IR2=IR1+Iadj≈0.01A(式中Ii為穩壓器的輸入電流,IR1、IR2、Iadj分別為流過R1、R2,以及調整端的電流),則ID=(0.01+I0)/2。考慮到電容充電電流的沖擊,正向電流一般取平均電流的2~3倍。
二極管最大反向電壓,式中U2為電源變壓器次級電壓有效值,Ui為整流輸出電壓(即穩壓器輸入電壓)。為了保證穩壓器LM317穩定運行,輸入電壓Ui與輸出電壓U0之差一般在5~15V范圍,取Ui-U0=1OV,得Udmax=1.2Ui=1.2(U0+10)=12+1.2U0。設計時可考慮一定的余量。
(2)濾波電容設計
濾波電解電容C1的選擇原則是:取其放電時間常數RLC1大于充電周期的3~5倍,其耐壓值Uc必須大于脈動電壓峰值。對于橋式整流電路來說,脈動電壓峰值為2U2,C1的充電周期等于交流電源周期T的一半,即式中RL為整流后的等效負載電阻,而RL=Ui/Ii=(10+U0)/(0.0l+I0),代入式中即可確定C1值。 2.3 電源變壓器設計
在串聯穩壓電路中,確定變壓器的二次電壓很重要。如果為了有富余而把二次電壓做得較高,就會增加調整管的損耗,這樣得相應地增大散熱器。因此,要設計出性能優良的電源,變壓器的參數值往往要經過多次調整。參考史獻中全面地講解了電源變壓囂設計的各個要點,本文不再贅述。這里采用近似計算的方法來確定U2和I2。
U2=Ui/1.2=0.83(10+Uo)
I2=(1.5~2)Ii=(1.5~2)×(0.01+Io)
2.4 集成穩壓器電路設計
為保證穩壓器在空載時也能正常工作.則流過電阻R1的電流不能太小。一般取IR1=5~10mA,故R1=VREF/IR1=1.25/(5~10)×10-3≈120~240Ω,式中VREF為穩壓器基準電壓。而輸出電壓U0與VREF、R1、R2有以下關系:
Un=VREF+(IR1+Iadj)R2=(1+R2/R1)VREF+IadjR2
(1)調節電阻R2,即可改變輸出電壓的大小。由于Iadj很小(只有50μA),所以式(1)可寫為Uo=(1+R2/R1)VREF=1.25(1+R2/R1)
(2)由式(2)求得R2=(0.8U0-1)R1。
2.5 保護電路設計
電路中保護二極管的選擇比較簡單,只要能保證滿足反向耐壓和沖擊電流這兩個要求就可以了。而R3的作用主要是限制三極管的基級電流,一般取1~2kΩ。下面談談過流保護電路的設計。
(1)啟動狀態
電機啟動時必須滿足充電時間Υ大于啟動時間δ,V2不導通,電機才能正常啟動。由于啟動電流很大,一般是額定電流的4~7倍,可看成不變,設為I=5I0。根據圖4可知。
穩壓器的最大允許功耗取決于芯片的最高結溫TjM,當T求得Rθd后,通過查散熱片等效熱阻與材料厚度和表面積關系的有關手冊,可得到表面積的范圍。表2列出了幾種常用封裝形式的熱阻。
3、實驗結果
在交流供電電壓220(1±10%)V,輸出額定電壓U0=24V,額定功率P0=15W,額定電流I0=0.625A,電機啟動時間δ=50ms,允許短路時間ts=500ms,保護電流整定值Ic=2A,最高環境溫度TAM=+45℃的條件下。設計出各電路參數見表3。
按表3的設計選取參數組裝完畢后,經實驗測定達到如下技術指標:
輸出特性Un=24V,In=0~1A:
電壓穩定度 Sv≤5×10-6;
負載穩定度S1≤5×10-5;
溫度系數α≤1×10-5/℃。
電機能正常啟動,當電機堵轉時,過流保護正常起作用。
綜上所述,采用LM317集成穩壓器設計的小功率直流電機電源,電路結構簡單,效率高,成本低,輸出電壓性能好,有著很好的應用前景。
轉載請說明來自西安泰富西瑪電機(西安西瑪電機集團股份有限公司)官方網站:http://m.lysanyuan.cn/zixun/dianjibaike263.html
引言
目前,各種直流電源產品充斥著市場,電源技術已經比較成熟。然而,基于成本的考慮,對于電源性能要求不是很高的場合,可采用帶有過流保護的集成穩壓電路,同樣能滿足產品的要求。
過流保護電路作為電源電路中不可缺少的一個組成部分,根據其控制方法大致可以分為關斷方式和限流方式,而直流電機電源較宜采用關斷方式。
過流保護電路首先要有一個電流取樣環節,常用做法是串聯一個小電阻或者是霍爾元件來獲得電流信號。由于霍爾元件體積比較大,價格昂貴,因而考慮采用串聯一個小電阻的方法。
1、工作原理
帶過流保護功能的LM317穩壓電路如圖1所示,集成穩壓電路一般分為5部分,即交流降壓電路、整流電路、濾波電路、穩壓電路、保護電路。交流220V電壓經電源變壓器降壓整流得到直流電壓Vin,此電壓通過濾波電路輸入到集成穩壓器輸入端,在集成穩壓器輸出端可得到1.25~37V直流電壓。工作原理圖及各部分電壓波形如圖2所示。
圖1 帶有保護的LM317穩定電路
圖2 直流穩壓電源方框圖
下面分析保護電路的工作過程。
1.1 集成穩壓器的保護
為獲得較高的輸出電壓值,LM317穩壓器的調節端與地之間的電阻R2值及其壓降往往較大,在R2兩端并接一個小于10μF的電容C3,可有效地抑制輸出端的紋波。當輸入端或輸出端發生短路時,電容C3的放電將在R1上產生沖擊電壓,會危及穩壓器的基準電壓電路,因此需在R1兩端并二極管D3以保護穩壓器。
穩壓器的輸出端不加電容亦能工作,由于穩壓器在1∶1的深度負反饋下工作,當輸出端負載為容性的某一值時,穩壓器有可能出現自激現象。因此,在穩壓器的輸入端接入0.1μF的電容C1,輸出端接入1000μF的電解電容C5,提供足夠的電流供給,同時可以防止可能發生的自激振蕩以及減小高頻噪聲和改善負載的瞬態響應。當輸入端發生短路時,C5通過穩壓器的調整管放電,C5值較大,則放電時的沖擊電流很大,電壓會通過穩壓器內部的輸出晶體管放電,可能造成輸出晶體管發射結反向擊穿。為此,在穩壓器兩端并接二極管D2,輸入端短路時C5通過D2放電,保護穩壓器。
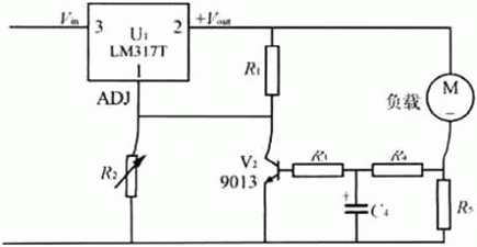
1.2 過流保護
過流保護電路原理見圖3,R5為取樣小電阻。當電源工作時,穩壓器輸出端輸出正向直流電壓,電機開始啟動。由于直流電機啟動瞬時電流iout較大(約為額定電流的8~10倍),iout流過小電阻R5,并經R4對C4充電。通過設定R4、C4的值,使充電時間Υ大于電機啟動時間δ,V2(9013)處于截止狀態,電機啟動到穩定狀態后,電流恢復到工作電流。一旦電機發生短路或堵轉,使電容C4兩端電壓達到V2的導通電壓,則V2導通,強制穩壓器的輸出電壓降為基準電壓1.25V。
圖3 保護電路原理圖
2、電路設計
2.1 集成穩壓器的選擇
在選擇集成穩壓器時,應該兼顧性能、使用和價格幾個方面。性能指標主要根據負載電壓電流的大小、調整率的高低以及工作穩定范圍的寬窄來選。LM317系列由于其輸出電壓可調,同時其有較高的穩壓精度、較高的紋波抑制比和較好的輸出電壓溫度特性,而得到了廣泛的應用。
設電源的輸出總功率P0,負載額定電壓U0,則輸出電流額定值為I0=P0/U0,為了使電路穩定運行,還需要考慮一定的設計余量(一般取10%以上)。LM317系列穩壓器主要參數如表1所列,根據計算出的電流值,選擇相應的穩壓器。
表1 LM317家族主要成員
2.2 整流濾波電路設計橋式整流濾波電路要確定整流二極管以及濾波電容值。
(1)整流二極管的選擇
選擇二極管要依據二極管的反向耐壓VRM和正向電流IF。由于濾波電容的容量愈大,二極管導通角愈小,通過二極管脈沖電流的幅度愈大,因此,整流管的幅值電流必須加以考慮。流過整流管的平均電流ID=Ii/2,Ii=IR2+I0,IR2=IR1+Iadj≈0.01A(式中Ii為穩壓器的輸入電流,IR1、IR2、Iadj分別為流過R1、R2,以及調整端的電流),則ID=(0.01+I0)/2。考慮到電容充電電流的沖擊,正向電流一般取平均電流的2~3倍。
二極管最大反向電壓,式中U2為電源變壓器次級電壓有效值,Ui為整流輸出電壓(即穩壓器輸入電壓)。為了保證穩壓器LM317穩定運行,輸入電壓Ui與輸出電壓U0之差一般在5~15V范圍,取Ui-U0=1OV,得Udmax=1.2Ui=1.2(U0+10)=12+1.2U0。設計時可考慮一定的余量。
(2)濾波電容設計
濾波電解電容C1的選擇原則是:取其放電時間常數RLC1大于充電周期的3~5倍,其耐壓值Uc必須大于脈動電壓峰值。對于橋式整流電路來說,脈動電壓峰值為2U2,C1的充電周期等于交流電源周期T的一半,即式中RL為整流后的等效負載電阻,而RL=Ui/Ii=(10+U0)/(0.0l+I0),代入式中即可確定C1值。 2.3 電源變壓器設計
在串聯穩壓電路中,確定變壓器的二次電壓很重要。如果為了有富余而把二次電壓做得較高,就會增加調整管的損耗,這樣得相應地增大散熱器。因此,要設計出性能優良的電源,變壓器的參數值往往要經過多次調整。參考史獻中全面地講解了電源變壓囂設計的各個要點,本文不再贅述。這里采用近似計算的方法來確定U2和I2。
U2=Ui/1.2=0.83(10+Uo)
I2=(1.5~2)Ii=(1.5~2)×(0.01+Io)
2.4 集成穩壓器電路設計
為保證穩壓器在空載時也能正常工作.則流過電阻R1的電流不能太小。一般取IR1=5~10mA,故R1=VREF/IR1=1.25/(5~10)×10-3≈120~240Ω,式中VREF為穩壓器基準電壓。而輸出電壓U0與VREF、R1、R2有以下關系:
Un=VREF+(IR1+Iadj)R2=(1+R2/R1)VREF+IadjR2
(1)調節電阻R2,即可改變輸出電壓的大小。由于Iadj很小(只有50μA),所以式(1)可寫為Uo=(1+R2/R1)VREF=1.25(1+R2/R1)
(2)由式(2)求得R2=(0.8U0-1)R1。
2.5 保護電路設計
電路中保護二極管的選擇比較簡單,只要能保證滿足反向耐壓和沖擊電流這兩個要求就可以了。而R3的作用主要是限制三極管的基級電流,一般取1~2kΩ。下面談談過流保護電路的設計。
(1)啟動狀態
電機啟動時必須滿足充電時間Υ大于啟動時間δ,V2不導通,電機才能正常啟動。由于啟動電流很大,一般是額定電流的4~7倍,可看成不變,設為I=5I0。根據圖4可知。
圖4 保護電路瞬時短路響應
(2)保護狀態設電機負荷在額定狀態下運行,電機電流I0已經穩定。電機短路或堵轉后,電流突然增大到短路電流Is,電容C4開始充電。考慮一定的設計余量,取保護電流設定值IG。
2.6 散熱設計穩壓器的最大允許功耗取決于芯片的最高結溫TjM,當T求得Rθd后,通過查散熱片等效熱阻與材料厚度和表面積關系的有關手冊,可得到表面積的范圍。表2列出了幾種常用封裝形式的熱阻。
3、實驗結果
在交流供電電壓220(1±10%)V,輸出額定電壓U0=24V,額定功率P0=15W,額定電流I0=0.625A,電機啟動時間δ=50ms,允許短路時間ts=500ms,保護電流整定值Ic=2A,最高環境溫度TAM=+45℃的條件下。設計出各電路參數見表3。
按表3的設計選取參數組裝完畢后,經實驗測定達到如下技術指標:
輸出特性Un=24V,In=0~1A:
電壓穩定度 Sv≤5×10-6;
負載穩定度S1≤5×10-5;
溫度系數α≤1×10-5/℃。
電機能正常啟動,當電機堵轉時,過流保護正常起作用。
表2 幾種封裝形式的熱阻
4、結語綜上所述,采用LM317集成穩壓器設計的小功率直流電機電源,電路結構簡單,效率高,成本低,輸出電壓性能好,有著很好的應用前景。
轉載請說明來自西安泰富西瑪電機(西安西瑪電機集團股份有限公司)官方網站:http://m.lysanyuan.cn/zixun/dianjibaike263.html
以上內容由西安泰富西瑪電機(西安西瑪電機集團股份有限公司)網絡編輯部收集整理發布,僅為傳播更多電機行業相關資訊及電機相關知識,僅供網友、用戶、及廣大經銷商參考之用,不代表西安泰富西瑪電機同意或默認以上內容的正確性和有效性。讀者根據本文內容所進行的任何商業行為,西安泰富西瑪電機不承擔任何連帶責任。如果以上內容不實或侵犯了您的知識產權,請及時與我們聯系,西安泰富西瑪電機網絡部將及時予以修正或刪除相關信息。
- 上一篇: 電暈對高壓電機的危害。
- 下一篇: 電機風罩的工作原理及其用途。
他們還瀏覽了...
- 2022-7-3電機風罩的工作原理及其用途。
- 2022-5-14高效節能電機過熱原因分析
- 2022-4-17多大功率的電機才需要降壓啟動?
- 2022-4-10如何看懂電機的型號?
- 2022-4-10電機維修期間應考慮什么?
- 2018-7-27電暈對高壓電機的危害。
- 2018-7-26直流電機短路試驗方法。
- 2018-7-25直流電機電刷的主要失效機理。
- 2018-7-24線圈質量與高壓電機壽命。
- 2018-7-24高壓電機繞組槽部電暈的電腐蝕的起因及其防范。
行業資訊
電機風罩的工作原理及其用途。
高壓電機軸磨損維修的詳細流程
三相異步電動機安裝步驟以及西瑪電機的故障檢查
西瑪電機接線中最常見的幾種錯誤
綠色發展可以幫助電機廠家解決利潤問題
高效節能電機過熱原因分析
需要更換高效節能的電機的必要性分析!
西安西瑪電機頻率和速度之間的數學關系
高壓電機軸磨損維修的詳細流程
三相異步電動機安裝步驟以及西瑪電機的故障檢查
西瑪電機接線中最常見的幾種錯誤
綠色發展可以幫助電機廠家解決利潤問題
高效節能電機過熱原因分析
需要更換高效節能的電機的必要性分析!
西安西瑪電機頻率和速度之間的數學關系
西安西瑪電機舉辦“迎國慶”員工趣味運動項目比
關于西安西瑪電機的工作制,大家了解一下。
西安西瑪電機工會慶祝3月8日的評選頒獎活動。
西安西瑪電機向在抗擊疫情前線的工作人員們致敬
西安西瑪電機職工安全生產知識宣傳教育工作全面
西安泰富西瑪電機亮相第27屆中國西部國際裝備
西安泰富西瑪電機將高效節能三相異步電動機作為
西安西瑪電機始終堅持誠信銷售的理念。
關于西安西瑪電機的工作制,大家了解一下。
西安西瑪電機工會慶祝3月8日的評選頒獎活動。
西安西瑪電機向在抗擊疫情前線的工作人員們致敬
西安西瑪電機職工安全生產知識宣傳教育工作全面
西安泰富西瑪電機亮相第27屆中國西部國際裝備
西安泰富西瑪電機將高效節能三相異步電動機作為
西安西瑪電機始終堅持誠信銷售的理念。
泰富西瑪電機
配套電柜
電機配件
YKK系列高壓三相異步電機西安泰富西瑪YKK系列(H355-1000)高壓三相異步電機可作驅動
Y2系列緊湊型高壓異步電機西安泰富西瑪?Y2系列(H355-560)6KV緊湊型高壓異步電機可
YE3系列高效節能電機西安泰富西瑪電機生產的YE3系列高效節能電機達到了國標二級能效標準,
Z4系列直流電機西安泰富西瑪Z4系列直流電動機比Z2、Z3系列具有更大的優越性,它不
Z2系列小型直流電機西安泰富西瑪Z2系列電機為一般工業用小型直流電機,其電動機適用于恒功
ZTP型鐵路機車動車用直流輔助西安泰富西瑪ZTP系列西瑪電機應能滿足鐵路機車動車用直流輔助電機通用



西安西瑪電機緊跟電機行業的發展趨勢,了解電機市場動態,制定出西瑪電機的發展規劃,穩步前行。
隨著國家節能減排的積極推行,新能源汽車產業快速增長及高效節能電機補貼政策的逐步落實,高效節能電機業將迎來爆發式的增長。
西瑪電機售后維修業務有:軸料加工件、鋼板切割、焊接件、高壓機殼、冷卻器、上下罩、高、低壓交直流電機;國內、外電機的修理、維護和試驗。
質量為本,用戶至上”是我公司一貫宗旨。“誠心、貼心、傾心、西瑪永遠用心”的“三心”服務理念。
西安泰富西瑪電機(西安西瑪電機集團股份有限公司)是國內九大的電機供應商之一,產品包括各種高低壓、交直流、高壓同步電機等。





















