如何提高電機設計能效?
內容簡介:工業電能中有65% 被電機所消耗,難怪業界的主要企業均越來越重視節能,將其視為提高利潤和競爭力的關鍵。而答案之一就是節能,尤其是電機的能耗。這主要有兩種方法,即采用變頻調速驅動方案高效控制電機的工作速度,實時反饋電機運行狀態等參數,以及提高電機本身的效率和性能,因為可變速驅動在提高性能的同時,還可節能又可提高生產率。
隨著節能成為全球范圍關注的焦點,電機設計的能效也成為一個引人關注的問題。由于各國政府相繼出臺各種法規來要求提高電機能效,為了應對能效挑戰,電機驅動電路變得越來越復雜。本文討論電機驅動電路的產品和行業趨勢,并提供有助于設計人員降低能耗、提高可靠性、減少元件數量、實現環保的解決方案。
工業領域的電機種類
近100年來,電器產品主要使用感應電機,即使是變頻驅動型電器,也是采用感應電機。現在某些新型電器開始采用效率更高、尺寸更緊湊、重量更輕的電機。這些新型電機可分為兩大類,即無刷直流電機和開關磁阻電機。
許多常見的家用電器都采用帶變頻驅動的無刷直流電機。這類高效的通用電機具有很高的轉矩密度。隨著能源價格飆升,業界重新燃起了對無刷直流電機的興趣。但一直以來,成本以及驅動設計的整體復雜性阻礙了這種電機的廣泛采用。
開關磁阻電機則多用于吸塵器和手持電動工具這類不關注電機噪聲和轉矩波動的電器中。開關磁阻電機的特點是轉矩大、轉速高,但價位非常具有競爭力。
無刷直流電機和開關磁阻電機都要利用一個微控制器或DSP來進行波形調節,然后用功率開關(功率MOSFET或IGBT) 放大這些調節后的波形。
驅動電路
設計變頻驅動電路可有以許多不同的方式。在典型的三相電機中,最流行的低頻驅動方案是梯形波驅動電路,如圖1所示。圖2給出了梯形波驅動電路的實際測試波形。
如果需要更高的頻率和性能,可采用PWM方法來產生正弦波。若要再進一步提高效率,便可采用空間矢量調制 (Space Vector Modulation) 法。
永磁三相同步電機有兩個流行的類型,即正弦永磁同步電機和梯形波無刷直流電機。正弦永磁同步電機與梯形波無刷直流電機(電氣性能)非常相似,它們的區別主要體現在以下兩個方面:(1)電機構造或者說反電動勢(BEMF)的波形不同,一個是感應電壓正弦永磁同步電機,另一個是梯形波無刷直流電機;(2)控制電壓的波形不同,一個采用三相正弦(所有三個相位同時有電流流過),一個采用矩形六步換流。
在新型驅動裝置中,正弦永磁同步電機越來越流行,開始在很多應用中取代有刷和無刷直流電機、通用(交流異步)電機和其它電機(如家用變頻空調,工業縫紉機等)。其原因是它更可靠(無刷)、效率更高、噪聲更小,而且在電控制方面具有非常高的電壓利用率及低頻轉矩。圖3和圖4分別給出了一種基于磁場定向控制(FOC)的無位置傳感矢量控制器的系統框圖及其實驗波形。
內置式永磁同步電機(IPMSM)矢量控制系統框圖。
電磁轉矩方程式以及相電流與估算角度的實驗波形。
創新解決辦法:智能功率模塊
智能功率模塊(SPM)是微控制器或DSP與電機之間的功率接口,能減小電機體積并簡化設計。這種模塊較之于分立式解決方案的優勢在于寄生電感更小、可靠性也更高,這是因為模塊內的所有功率器件都采用了同批次芯片,具有一致的測試性能。這種智能功率模塊可與微控制器低電壓TTL或CMOS輸出直接接口,并帶有保護電路。模塊內置有監視結溫的熱敏電阻器、防止上下橋臂直通的邏輯保護電路、死區時間控制,以及用于最大限度減少EMI等的驅動波形整形電路。在模塊中,每個驅動IC均可進行優化,使其以最小的EMI和驅動損耗來完成功率器件的開關動作。三相驅動模塊將繼續在電器產品廣泛應用。圖5給出了馬達控制使用SPM 的典型應用電路。
典型的應用電路
圖6為采用Mini-DIP封裝的Motion-SPM智能功率模塊的外觀和內部結構示意。Motion-SPM是一款超小型功率模塊,它將功率元件、上下橋臂柵極驅動器和保護電路全部集成在一個雙列直插式移模封裝件中,用于交流100~220V 等級低功耗電機驅動變頻控制。
經過設計的智能功率模塊,能實現最大的設計靈活性,可用于不同的輸出電壓和功率范圍.
高壓(600V) 橋式驅動技術
(600V)高壓橋式驅動技術能實現小型的低成本模塊,以推動電機驅動電路的變革。現代的高壓橋柵極驅動電路都經過仔細設計,能降低高壓IC芯片工藝固有的寄生漏極電容。這樣,驅動電路就非常魯棒,足以承受超過-9V的負電壓。電源電壓上的正負尖峰電壓不會造成驅動電路發生閂鎖和柵級控制失效,這是最近10年來柵極驅動電路的一大變化。匹配傳輸延遲小于50ns,可使開關頻率達到100kHz或150kHz。IC內增加的共模dV/dt噪聲消除電路也有助于降低發生假性導通的可能性,這也有助于使功率電路更加魯棒,同時還由于省去了額外的濾波部件,而使電路更加緊湊。現代的IC(如FAN7382和FAN7384)的靜態電流更小、工作溫度更低,因此可靠性也更高。系統功率板空間和成本的減小體現了模塊化技術的一大優勢,它省去了上一代電機驅動電路中常見的4個電源以及微控制器PC B和功率開關 PCB之間的光電耦合電路。
NPT型與PT型IGBT的比較
20年來,電機驅動一直選用IGBT作為功率開關器件。經過設計,IGBT能針對某一開關頻率最大限度地降低損耗。對電機驅動行業來說,這意味需要適用不同頻率范圍的IGBT系列,既有針對某些消費電子產品電機的5kHz開關,也有針對許多工業用電機的20kHz開關,甚至有針對電機驅動以外應用的更高頻率的開關。
IGBT技術的改進(如導通電壓和每個開關周期的關閉功耗)也進一步提高了可靠性,并降低了模塊成本。在最近5年,常規IGBT在功能方面獲得了巨大的改進,新的非穿通型(NPT) IGBT也得到大規模應用。
NPT IGBT雖然看起來類似傳統的穿通型(PT) IGBT,但制造方法大不相同。與MOSFET或傳統IGBT不同,在硅片制作過程中,NPT IGBT采用P型區和背面金屬區。
NPT IGBT的導通電壓(VCE(SAT))常低于傳統IGBT,或者說導通速度慢一些,但它們通常更魯棒,能承受短路或過流的時間更長。這使其在電機控制應用中得到青睞。此外,如果查看這兩種IGBT的開關波形就會發現,NPT IGBT產生的EMI比PT IGBT的低得多。NPT IGBT開關脈沖的下沿基本上是一個單純的斜坡,而傳統IGBT的卻是一段dI/dt很大的區域,后接一段電流下降速率很慢的長尾,且器件的損耗高。在高dI/dt區域,傳統IGBT產生的EMI大,一般都會影響驅動電路,常常需要將功率開關與驅動電路進行隔離。NPT IGBT的另一個優點是可與VCE(SAT)形成正溫度系數關系,這一特點對IGBT并聯應用非常有用。
飛兆半導體的低導通阻抗600V SuperFET MOSFET系列產品特別采用DPAK(TO-252)封裝,能滿足用于運動控制應用的最新超纖巧與薄型器件的要求。為最大限度降低開關和導通損耗,以滿足某些高開關頻率電機控制設計的系統效率要求,這些產品的導通阻抗降低至傳統平面MOSFET的1/3(0.6~1.2歐姆)。此外,這些產品還能承受快速的電壓瞬變(dv/dt)和電流瞬變(di/dt),使系統能在高開關頻率下可靠地工作。
本文小結
近來,市場對節能家用電器的需求一直很強勁。在家用電器中,一臺電冰箱的耗電將占整個家庭耗電的10%以上。由于電冰箱壓縮機主要工作在低速下,因此改進低速下的電機驅動效率有巨大的節能潛力。為達到這一目的,飛兆半導體基于電冰箱和空調的正弦變頻器,針對無刷直流電機開發了相應的解決方案。新的電機驅動技術針對高、低速壓縮機電機應用,能進一步提高總體驅動效率。
據估計,工業電能中有65% 被電機所消耗,難怪業界的主要企業均越來越重視節能,將其視為提高利潤和競爭力的關鍵。而答案之一就是節能,尤其是電機的能耗。這主要有兩種方法,即采用變頻調速驅動方案高效控制電機的工作速度,實時反饋電機運行狀態等參數,以及提高電機本身的效率和性能,因為可變速驅動在提高性能的同時,還可節能又可提高生產率。
轉載請說明來自西安泰富西瑪電機(西安西瑪電機集團股份有限公司)官方網站:http://m.lysanyuan.cn/zixun/weixiubaoyang188.html
工業領域的電機種類
近100年來,電器產品主要使用感應電機,即使是變頻驅動型電器,也是采用感應電機。現在某些新型電器開始采用效率更高、尺寸更緊湊、重量更輕的電機。這些新型電機可分為兩大類,即無刷直流電機和開關磁阻電機。
許多常見的家用電器都采用帶變頻驅動的無刷直流電機。這類高效的通用電機具有很高的轉矩密度。隨著能源價格飆升,業界重新燃起了對無刷直流電機的興趣。但一直以來,成本以及驅動設計的整體復雜性阻礙了這種電機的廣泛采用。
開關磁阻電機則多用于吸塵器和手持電動工具這類不關注電機噪聲和轉矩波動的電器中。開關磁阻電機的特點是轉矩大、轉速高,但價位非常具有競爭力。
無刷直流電機和開關磁阻電機都要利用一個微控制器或DSP來進行波形調節,然后用功率開關(功率MOSFET或IGBT) 放大這些調節后的波形。
驅動電路
設計變頻驅動電路可有以許多不同的方式。在典型的三相電機中,最流行的低頻驅動方案是梯形波驅動電路,如圖1所示。圖2給出了梯形波驅動電路的實際測試波形。
圖1:最流行的低頻驅動方案——梯形波驅動電路。
梯形波控制方法及實際測試波形
圖2:梯形波控制方法及實際測試波形。
如果需要更高的頻率和性能,可采用PWM方法來產生正弦波。若要再進一步提高效率,便可采用空間矢量調制 (Space Vector Modulation) 法。
永磁三相同步電機有兩個流行的類型,即正弦永磁同步電機和梯形波無刷直流電機。正弦永磁同步電機與梯形波無刷直流電機(電氣性能)非常相似,它們的區別主要體現在以下兩個方面:(1)電機構造或者說反電動勢(BEMF)的波形不同,一個是感應電壓正弦永磁同步電機,另一個是梯形波無刷直流電機;(2)控制電壓的波形不同,一個采用三相正弦(所有三個相位同時有電流流過),一個采用矩形六步換流。
在新型驅動裝置中,正弦永磁同步電機越來越流行,開始在很多應用中取代有刷和無刷直流電機、通用(交流異步)電機和其它電機(如家用變頻空調,工業縫紉機等)。其原因是它更可靠(無刷)、效率更高、噪聲更小,而且在電控制方面具有非常高的電壓利用率及低頻轉矩。圖3和圖4分別給出了一種基于磁場定向控制(FOC)的無位置傳感矢量控制器的系統框圖及其實驗波形。
內置式永磁同步電機(IPMSM)矢量控制系統框圖。
圖3:內置式永磁同步電機(IPMSM)矢量控制系統框圖。
電磁轉矩方程式以及相電流與估算角度的實驗波形。
圖4:電磁轉矩方程式以及相電流與估算角度的實驗波形。
創新解決辦法:智能功率模塊
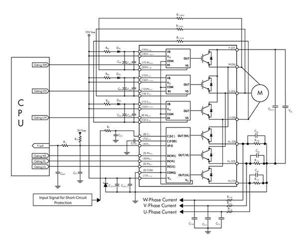
智能功率模塊(SPM)是微控制器或DSP與電機之間的功率接口,能減小電機體積并簡化設計。這種模塊較之于分立式解決方案的優勢在于寄生電感更小、可靠性也更高,這是因為模塊內的所有功率器件都采用了同批次芯片,具有一致的測試性能。這種智能功率模塊可與微控制器低電壓TTL或CMOS輸出直接接口,并帶有保護電路。模塊內置有監視結溫的熱敏電阻器、防止上下橋臂直通的邏輯保護電路、死區時間控制,以及用于最大限度減少EMI等的驅動波形整形電路。在模塊中,每個驅動IC均可進行優化,使其以最小的EMI和驅動損耗來完成功率器件的開關動作。三相驅動模塊將繼續在電器產品廣泛應用。圖5給出了馬達控制使用SPM 的典型應用電路。
典型的應用電路
圖5:典型的應用電路。
圖6:Motion-SPM外型和內部結構示意圖。
圖6為采用Mini-DIP封裝的Motion-SPM智能功率模塊的外觀和內部結構示意。Motion-SPM是一款超小型功率模塊,它將功率元件、上下橋臂柵極驅動器和保護電路全部集成在一個雙列直插式移模封裝件中,用于交流100~220V 等級低功耗電機驅動變頻控制。
經過設計的智能功率模塊,能實現最大的設計靈活性,可用于不同的輸出電壓和功率范圍.
高壓(600V) 橋式驅動技術
(600V)高壓橋式驅動技術能實現小型的低成本模塊,以推動電機驅動電路的變革。現代的高壓橋柵極驅動電路都經過仔細設計,能降低高壓IC芯片工藝固有的寄生漏極電容。這樣,驅動電路就非常魯棒,足以承受超過-9V的負電壓。電源電壓上的正負尖峰電壓不會造成驅動電路發生閂鎖和柵級控制失效,這是最近10年來柵極驅動電路的一大變化。匹配傳輸延遲小于50ns,可使開關頻率達到100kHz或150kHz。IC內增加的共模dV/dt噪聲消除電路也有助于降低發生假性導通的可能性,這也有助于使功率電路更加魯棒,同時還由于省去了額外的濾波部件,而使電路更加緊湊。現代的IC(如FAN7382和FAN7384)的靜態電流更小、工作溫度更低,因此可靠性也更高。系統功率板空間和成本的減小體現了模塊化技術的一大優勢,它省去了上一代電機驅動電路中常見的4個電源以及微控制器PC B和功率開關 PCB之間的光電耦合電路。
NPT型與PT型IGBT的比較
20年來,電機驅動一直選用IGBT作為功率開關器件。經過設計,IGBT能針對某一開關頻率最大限度地降低損耗。對電機驅動行業來說,這意味需要適用不同頻率范圍的IGBT系列,既有針對某些消費電子產品電機的5kHz開關,也有針對許多工業用電機的20kHz開關,甚至有針對電機驅動以外應用的更高頻率的開關。
IGBT技術的改進(如導通電壓和每個開關周期的關閉功耗)也進一步提高了可靠性,并降低了模塊成本。在最近5年,常規IGBT在功能方面獲得了巨大的改進,新的非穿通型(NPT) IGBT也得到大規模應用。
NPT IGBT雖然看起來類似傳統的穿通型(PT) IGBT,但制造方法大不相同。與MOSFET或傳統IGBT不同,在硅片制作過程中,NPT IGBT采用P型區和背面金屬區。
NPT IGBT的導通電壓(VCE(SAT))常低于傳統IGBT,或者說導通速度慢一些,但它們通常更魯棒,能承受短路或過流的時間更長。這使其在電機控制應用中得到青睞。此外,如果查看這兩種IGBT的開關波形就會發現,NPT IGBT產生的EMI比PT IGBT的低得多。NPT IGBT開關脈沖的下沿基本上是一個單純的斜坡,而傳統IGBT的卻是一段dI/dt很大的區域,后接一段電流下降速率很慢的長尾,且器件的損耗高。在高dI/dt區域,傳統IGBT產生的EMI大,一般都會影響驅動電路,常常需要將功率開關與驅動電路進行隔離。NPT IGBT的另一個優點是可與VCE(SAT)形成正溫度系數關系,這一特點對IGBT并聯應用非常有用。
飛兆半導體的低導通阻抗600V SuperFET MOSFET系列產品特別采用DPAK(TO-252)封裝,能滿足用于運動控制應用的最新超纖巧與薄型器件的要求。為最大限度降低開關和導通損耗,以滿足某些高開關頻率電機控制設計的系統效率要求,這些產品的導通阻抗降低至傳統平面MOSFET的1/3(0.6~1.2歐姆)。此外,這些產品還能承受快速的電壓瞬變(dv/dt)和電流瞬變(di/dt),使系統能在高開關頻率下可靠地工作。
本文小結
近來,市場對節能家用電器的需求一直很強勁。在家用電器中,一臺電冰箱的耗電將占整個家庭耗電的10%以上。由于電冰箱壓縮機主要工作在低速下,因此改進低速下的電機驅動效率有巨大的節能潛力。為達到這一目的,飛兆半導體基于電冰箱和空調的正弦變頻器,針對無刷直流電機開發了相應的解決方案。新的電機驅動技術針對高、低速壓縮機電機應用,能進一步提高總體驅動效率。
據估計,工業電能中有65% 被電機所消耗,難怪業界的主要企業均越來越重視節能,將其視為提高利潤和競爭力的關鍵。而答案之一就是節能,尤其是電機的能耗。這主要有兩種方法,即采用變頻調速驅動方案高效控制電機的工作速度,實時反饋電機運行狀態等參數,以及提高電機本身的效率和性能,因為可變速驅動在提高性能的同時,還可節能又可提高生產率。
轉載請說明來自西安泰富西瑪電機(西安西瑪電機集團股份有限公司)官方網站:http://m.lysanyuan.cn/zixun/weixiubaoyang188.html
以上內容由西安泰富西瑪電機(西安西瑪電機集團股份有限公司)網絡編輯部收集整理發布,僅為傳播更多電機行業相關資訊及電機相關知識,僅供網友、用戶、及廣大經銷商參考之用,不代表西安泰富西瑪電機同意或默認以上內容的正確性和有效性。讀者根據本文內容所進行的任何商業行為,西安泰富西瑪電機不承擔任何連帶責任。如果以上內容不實或侵犯了您的知識產權,請及時與我們聯系,西安泰富西瑪電機網絡部將及時予以修正或刪除相關信息。
- 上一篇: 電機軟啟動器主接線種類和常見故障。
- 下一篇: 高壓電機軸磨損維修的詳細流程
他們還瀏覽了...
- 2022-6-19高壓電機軸磨損維修的詳細流程
- 2022-6-4三相異步電動機安裝步驟以及西瑪電機的故障檢查方法
- 2022-5-29西瑪電機接線中最常見的幾種錯誤
- 2022-5-8西安西瑪電機頻率和速度之間的數學關系
- 2022-5-8三相異步電動機的正確接線方法及故障分析
- 2018-5-7電機軟啟動器主接線種類和常見故障。
- 2018-5-7電機電磁噪音來源解析。
- 2018-5-2電機系統節能改造之電機轉速調節。
- 2018-4-25流體在電機養護里的重要作用。
- 2018-4-23電機測試系統如何完美軸對中?
行業資訊
電機風罩的工作原理及其用途。
高壓電機軸磨損維修的詳細流程
三相異步電動機安裝步驟以及西瑪電機的故障檢查
西瑪電機接線中最常見的幾種錯誤
綠色發展可以幫助電機廠家解決利潤問題
高效節能電機過熱原因分析
需要更換高效節能的電機的必要性分析!
西安西瑪電機頻率和速度之間的數學關系
高壓電機軸磨損維修的詳細流程
三相異步電動機安裝步驟以及西瑪電機的故障檢查
西瑪電機接線中最常見的幾種錯誤
綠色發展可以幫助電機廠家解決利潤問題
高效節能電機過熱原因分析
需要更換高效節能的電機的必要性分析!
西安西瑪電機頻率和速度之間的數學關系
西安西瑪電機舉辦“迎國慶”員工趣味運動項目比
關于西安西瑪電機的工作制,大家了解一下。
西安西瑪電機工會慶祝3月8日的評選頒獎活動。
西安西瑪電機向在抗擊疫情前線的工作人員們致敬
西安西瑪電機職工安全生產知識宣傳教育工作全面
西安泰富西瑪電機亮相第27屆中國西部國際裝備
西安泰富西瑪電機將高效節能三相異步電動機作為
西安西瑪電機始終堅持誠信銷售的理念。
關于西安西瑪電機的工作制,大家了解一下。
西安西瑪電機工會慶祝3月8日的評選頒獎活動。
西安西瑪電機向在抗擊疫情前線的工作人員們致敬
西安西瑪電機職工安全生產知識宣傳教育工作全面
西安泰富西瑪電機亮相第27屆中國西部國際裝備
西安泰富西瑪電機將高效節能三相異步電動機作為
西安西瑪電機始終堅持誠信銷售的理念。
泰富西瑪電機
配套電柜
電機配件
YKK系列高壓三相異步電機西安泰富西瑪YKK系列(H355-1000)高壓三相異步電機可作驅動
Y2系列緊湊型高壓異步電機西安泰富西瑪?Y2系列(H355-560)6KV緊湊型高壓異步電機可
YE3系列高效節能電機西安泰富西瑪電機生產的YE3系列高效節能電機達到了國標二級能效標準,
Z4系列直流電機西安泰富西瑪Z4系列直流電動機比Z2、Z3系列具有更大的優越性,它不
Z2系列小型直流電機西安泰富西瑪Z2系列電機為一般工業用小型直流電機,其電動機適用于恒功
ZTP型鐵路機車動車用直流輔助西安泰富西瑪ZTP系列西瑪電機應能滿足鐵路機車動車用直流輔助電機通用



西安西瑪電機緊跟電機行業的發展趨勢,了解電機市場動態,制定出西瑪電機的發展規劃,穩步前行。
隨著國家節能減排的積極推行,新能源汽車產業快速增長及高效節能電機補貼政策的逐步落實,高效節能電機業將迎來爆發式的增長。
西瑪電機售后維修業務有:軸料加工件、鋼板切割、焊接件、高壓機殼、冷卻器、上下罩、高、低壓交直流電機;國內、外電機的修理、維護和試驗。
質量為本,用戶至上”是我公司一貫宗旨。“誠心、貼心、傾心、西瑪永遠用心”的“三心”服務理念。
西安泰富西瑪電機(西安西瑪電機集團股份有限公司)是國內九大的電機供應商之一,產品包括各種高低壓、交直流、高壓同步電機等。


















